Process Engineering

Basic Engineering (Process Engineering)

Feasibility Study

  • Study of economics, viability of product, market survey Etc.
  • Preliminary concept design and evaluate the design requirements.
  • Perform preliminary engineering analysis and techno-commercial support for RFP.
  • Review basic enquiry drawings/ documents, budgetary engineering effort estimates
  • Prepare conceptual design layouts and estimate bill of quantities

Process Engineering

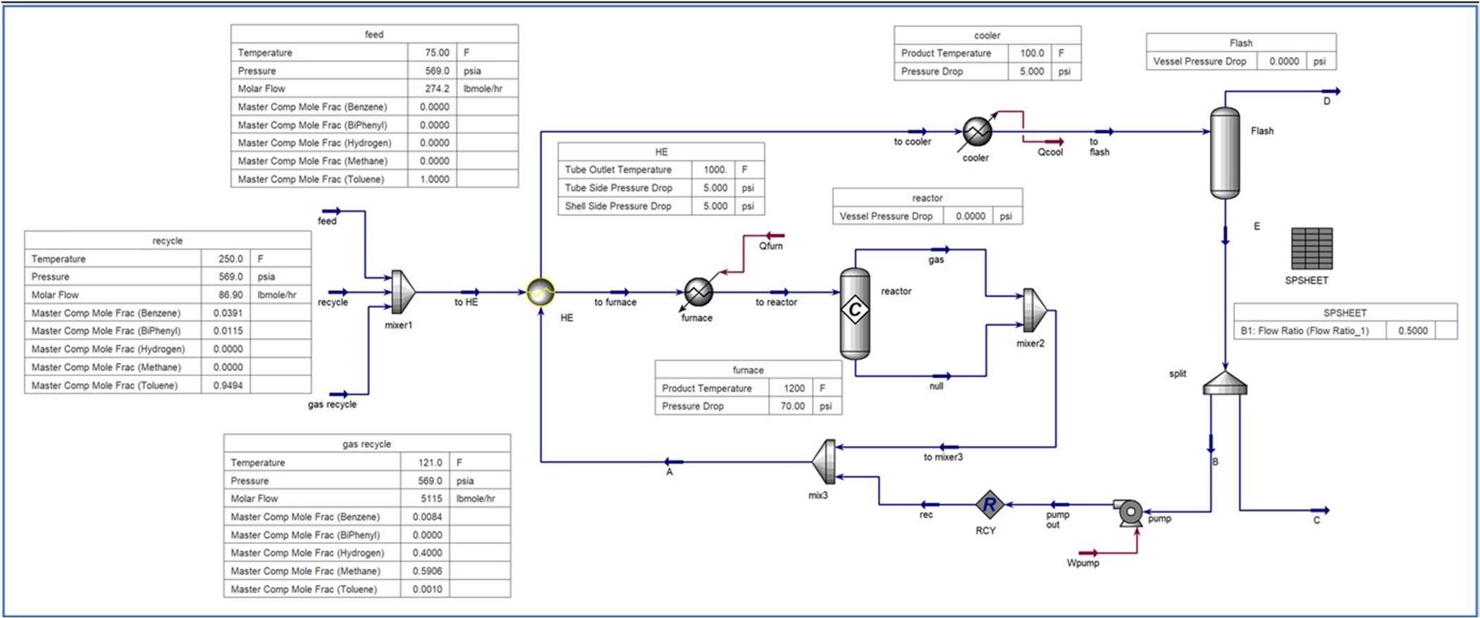
Process Flow Diagram (PFD) Development

Creation of detailed process flow diagrams to outline major equipment and flow paths.
 

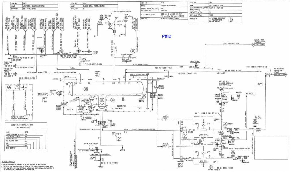
Piping & Instrumentation Diagram (P&ID) Development

Comprehensive design of P&IDs, integrating control systems and instrumentation details.

Heat and Mass Balance Calculation

Precise calculations to ensure process efficiency and system optimization
 

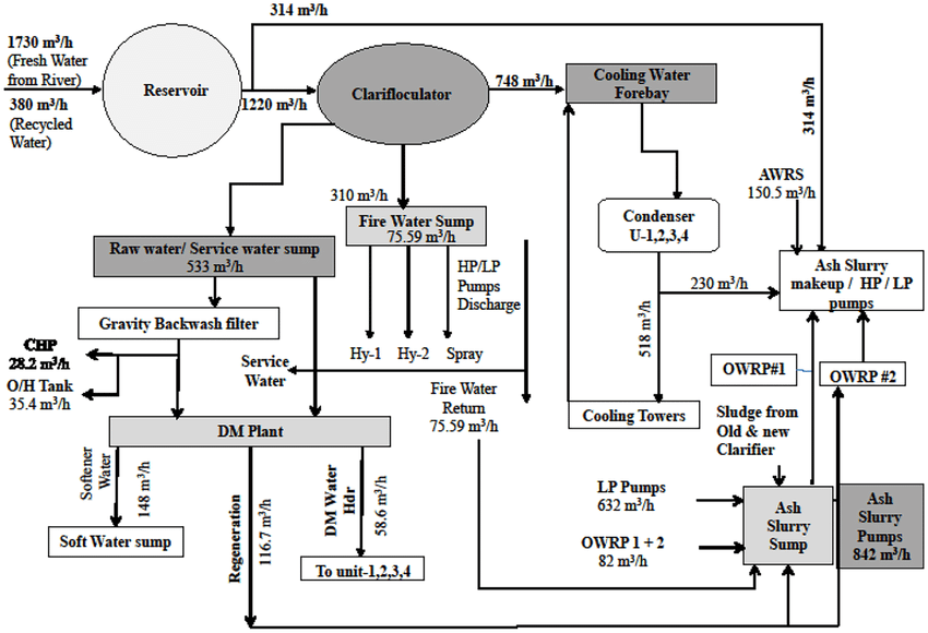
Water Balance Calculation

Analysis and management of water usage and distribution within the system.

Equipment Sizing and Data Sheet Preparation

Accurate sizing of equipment and preparation of detailed technical specifications.

BOP (Balance of Plant) and Utility Engineering

Design and integration of auxiliary systems for seamless operation.

Engineering Specification for Bought-Out Items

Development of specifications for procured components to ensure compatibility and compliance.

Development of Plot Plan and Conceptual Layout

Strategic planning and layout design to optimize space utilization and workflow.